Se rendre au contenu

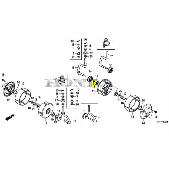
Rondelle de butée 6.2x14x1 HONDA Miimo 310

https://www.agreen.lu/web/image/product.template/283/image_1920?unique=d8a18cc
(0 avis)
Rondelle de butée 6,2 x 14 x 1 pour HONDA Miimo 310, pièce d’origine assurant le maintien et le bon alignement des composants mécaniques du robot tondeuse.

1,21 € 1.21 EUR 1,21 €

1,21 €

Pas disponible à la vente

Cette combinaison n'existe pas.

HONDA

Conditions générales
Expédition : 2-3 jours ouvrables

Tutoriel – Remplacement de la rondelle de butée sur HONDA Miimo 310

Matériel nécessaire

Étapes de remplacement

  1. Éteindre et sécuriser le robot
    Éteignez complètement le robot tondeuse et retirez-le de sa station de charge. Retournez-le délicatement sur une surface plane et protégée.
  2. Accéder à la pièce concernée
    Démontez le carter ou l’élément mécanique donnant accès à la rondelle (roue, axe ou mécanisme concerné selon l’emplacement).
  3. Retirer l’ancienne rondelle
    Dévissez l’élément de fixation et retirez soigneusement la rondelle usée ou endommagée.
  4. Installer la nouvelle rondelle
    Positionnez la nouvelle rondelle de butée à l’emplacement d’origine, en respectant l’ordre et l’alignement des pièces.
  5. Remonter l’ensemble
    Revissez fermement sans forcer, puis remettez en place le carter ou la pièce démontée.
  6. Vérification
    Remettez le robot à l’endroit, rallumez-le et vérifiez le bon fonctionnement avant de le remettre en service.